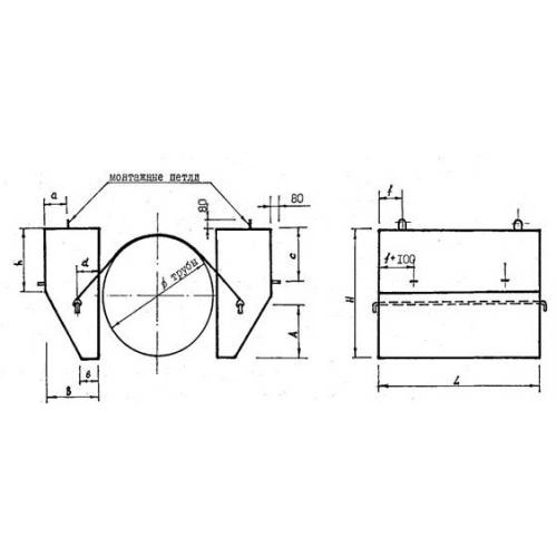
УБОм 530 утяжелители охватывающего типа

Чертеж изделия:
Характеристики изделия:
ПараметрЗначение
длина1000 мм
ширина400 мм
высота700 мм
масса834 кг
нормативный документВСН 39-1.9-003-98

УБОм 530 Утяжелители бетонные охватывающего типа ВСН 39-1.9-003-98.