СТ 3
Характеристики изделия:
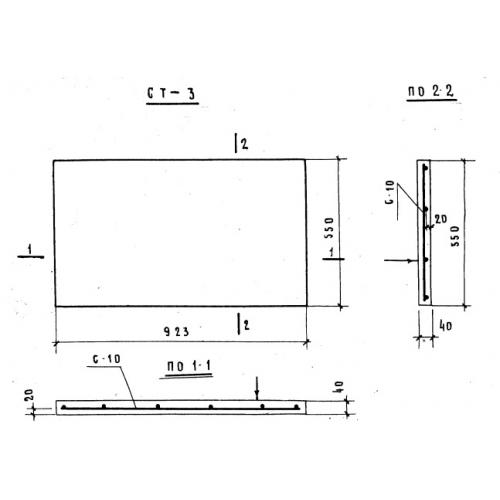
| Параметр | Значение |
|---|---|
| длина | 923 мм |
| ширина | 550 мм |
| высота | 40 мм |
| масса | 50 кг |
| нормативный документ | Серия ИИС 04-7 |
Цена:
Рассчитать стоимостьСТ 3 Накладные проступи по Серии ИИС 04-7.
| Параметр | Значение |
|---|---|
| длина | 923 мм |
| ширина | 550 мм |
| высота | 40 мм |
| масса | 50 кг |
| нормативный документ | Серия ИИС 04-7 |
СТ 3 Накладные проступи по Серии ИИС 04-7.
