УБ 6

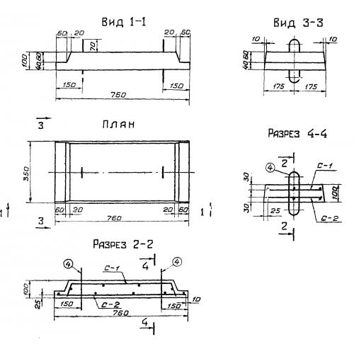
Чертеж изделия:
Характеристики изделия:
ПараметрЗначение
длина760 мм
ширина350 мм
высота100 мм
масса60 кг
нормативный документСерия 3.820.1-69

УБ 6 Блок распорный по Серии 3.820.1-69.