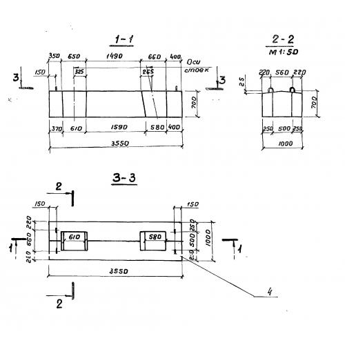
ПК 355

Чертеж изделия:
Характеристики изделия:
ПараметрЗначение
длина3550 мм
ширина1000 мм
высота700 мм
вес5000 кг
серия3.503.1-57

ПК 355 Блоки подколонника по серии 3.503.1-57.