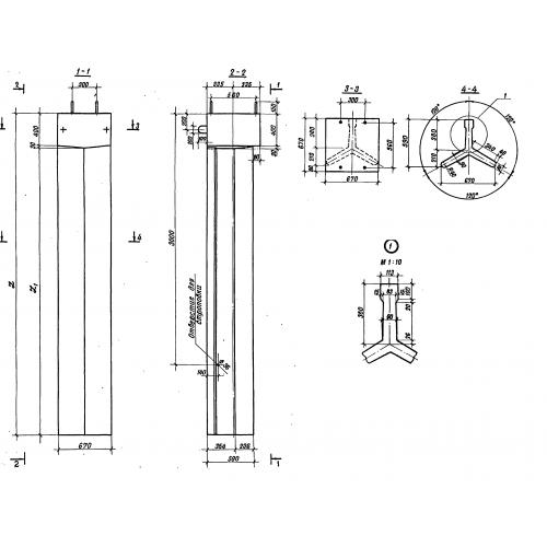
ФТС 4.5 фундамент

Чертеж изделия:
Характеристики изделия:
ПараметрЗначение
длина4500 мм
ширина670 мм
высота670 мм
масса1460 кг
нормативный документСерия 3.501.1-130

ФТС 4.5 Фундаменты трехлучевые северные по Серии 3.501.1-130.