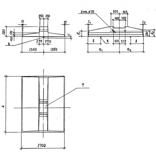
П 2.7-4.2 Плита

Чертеж изделия:
Характеристики изделия:
ПараметрЗначение
длина4200 мм
ширина2700 мм
высота600 мм
масса6050 кг
нормативный документСерия 3.407.1-144

П 2.7-4.2 Плиты фундаментов по Серии 3.407.1-144.