ФМ 5

Чертеж изделия:
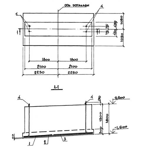
Характеристики изделия:
ПараметрЗначение
длина4500 мм
ширина2100 мм
высота1800 мм
вес21250 кг
серия3.015.2-15

ФМ 5 Монолитные фундаменты по серии 3.015.2-15.