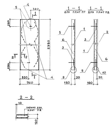
ПТ 75.300.16 плиты лотков
Характеристики изделия:
| Параметр | Значение |
|---|---|
| длина | 740 мм |
| ширина | 2980 мм |
| высота | 160 мм |
| масса | 880 кг |
| нормативный документ | Серия 3.006.1-8 |
Цена:
Рассчитать стоимостьПТ 75.300.16 Плиты перекрытий каналов Серия 3.006.1-8.
| Параметр | Значение |
|---|---|
| длина | 740 мм |
| ширина | 2980 мм |
| высота | 160 мм |
| масса | 880 кг |
| нормативный документ | Серия 3.006.1-8 |
ПТ 75.300.16 Плиты перекрытий каналов Серия 3.006.1-8.