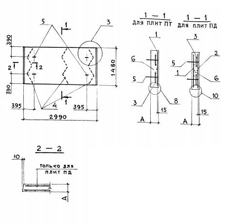
ПТ 300.150.14 плиты лотков

Чертеж изделия:
Характеристики изделия:
ПараметрЗначение
длина2990 мм
ширина1480 мм
высота140 мм
масса1550 кг
нормативный документСерия 3.006.1-8

ПТ 300.150.14  Плиты перекрытий каналов Серия 3.006.1-8.