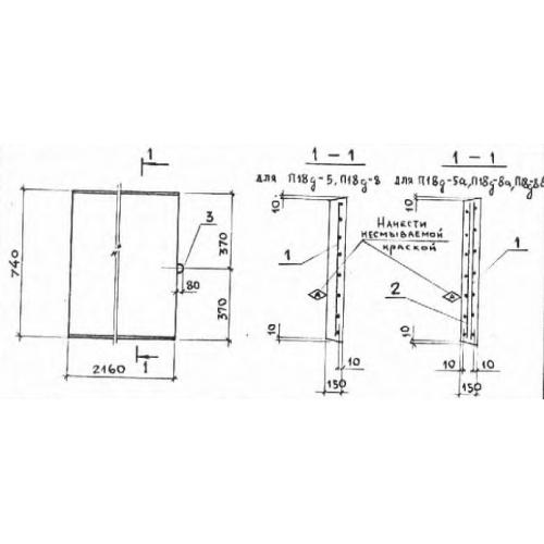
П 18 д плиты лотков

Чертеж изделия:
Характеристики изделия:
ПараметрЗначение
длина740 мм
ширина2160 мм
высота150 мм
масса600 кг
нормативный документСерия 3.006.1-2/87

П 18д Плиты перекрытия лотков доборные Серия 3.006.1-2/87.