П 13

Чертеж изделия:
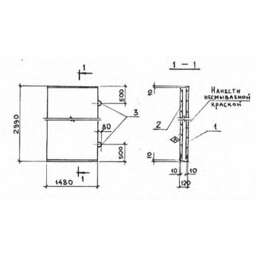
Характеристики изделия:
ПараметрЗначение
длина2990 мм
ширина1480 мм
высота120 мм
масса1330 кг
нормативный документСерия 3.006.1-2/82

П 13  Плиты перекрытия лотков Серия 3.006.1-2/82.