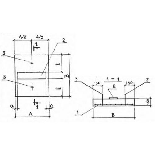
ОП 7

Чертеж изделия:
Характеристики изделия:
ПараметрЗначение
длина750 мм
ширина850 мм
высота140 мм
масса230 кг
нормативный документСерия 3.006.1-2/82

ОП 7  Опорные подушки Серия 3.006.1-2/82.