Л 28

Чертеж изделия:
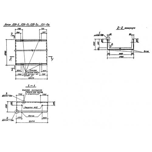
Характеристики изделия:
ПараметрЗначение
длина2970 мм
ширина2780 мм
высота1060 мм
масса4950 кг
нормативный документСерия 3.006.1-2/82

Л 28 Лотки теплотрасс Серия 3.006.1-2/82.