П 8
Характеристики изделия:
| Параметр | Значение |
|---|---|
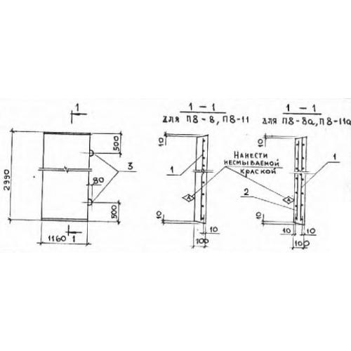
| длина | 2990 мм |
| ширина | 1160 мм |
| высота | 100 мм |
| вес | 870 кг |
| серия | 3.006-2 |
Цена:
Рассчитать стоимостьП 8 Плиты перекрытия лотков по серии 3.006-2.
| Параметр | Значение |
|---|---|
| длина | 2990 мм |
| ширина | 1160 мм |
| высота | 100 мм |
| вес | 870 кг |
| серия | 3.006-2 |
П 8 Плиты перекрытия лотков по серии 3.006-2.
