П 28

Чертеж изделия:
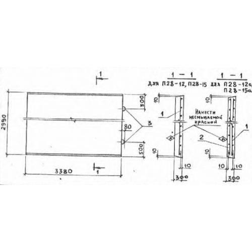
Характеристики изделия:
ПараметрЗначение
длина2990 мм
ширина3380 мм
высота300 мм
вес7580 кг
серия3.006-2

П 28 Плиты перекрытия лотков по серии 3.006-2.