П 13

Чертеж изделия:
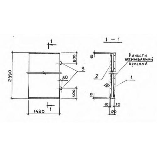
Характеристики изделия:
ПараметрЗначение
длина2990 мм
ширина1480 мм
высота120 мм
вес1330 кг
серия3.006-2

П 13 Плиты перекрытия лотков по серии 3.006-2.