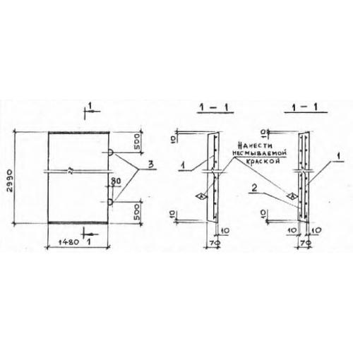
П 10

Чертеж изделия:
Характеристики изделия:
ПараметрЗначение
длина2990 мм
ширина1480 мм
высота70 мм
вес770 кг
серия3.006-2

П 10 Плиты перекрытия лотков по серии 3.006-2.