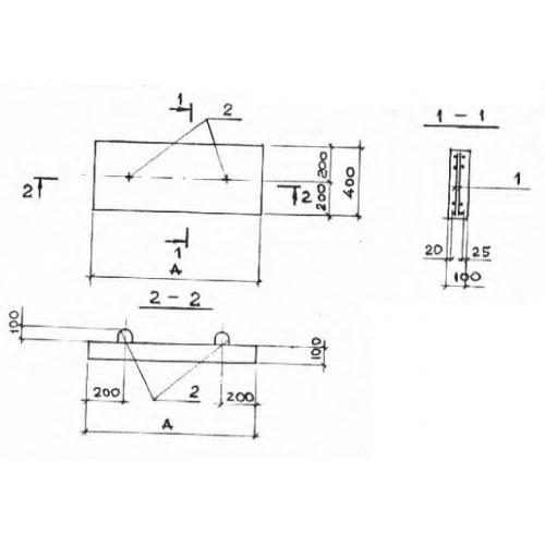
ПП 10

Чертеж изделия:
Характеристики изделия:
ПараметрЗначение
длина3600 мм
ширина400 мм
высота100 мм
вес350 кг
серия3.006-2

ПП 10 Плиты перекрытия лотков по серии 3.006-2.