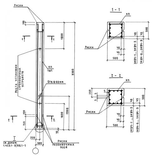
3К 84 колонны

Чертеж изделия:
Характеристики изделия:
ПараметрЗначение
длина9300 мм
ширина500 мм
высота500 мм
масса5800 кг
нормативный документСерия 1.423.1-3/88

3К 84 Колонны Серия 1.423.1-3/88.