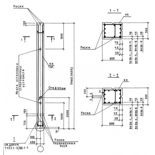
К 96 колонны

Чертеж изделия:
Характеристики изделия:
ПараметрЗначение
длина9800 мм
ширина500 мм
высота600 мм
масса7400 кг
нормативный документСерия 1.423-3

К 96  Колонны Серия 1.423-3.