ПТП 16.14
Характеристики изделия:
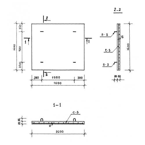
| Параметр | Значение |
|---|---|
| длина | 1600 мм |
| ширина | 1400 мм |
| высота | 80 мм |
| вес | 448 кг |
| серия | 1.243-2 |
Цена:
Рассчитать стоимостьПТП 16.14 Плиты плоские по серии 1.243-2.
| Параметр | Значение |
|---|---|
| длина | 1600 мм |
| ширина | 1400 мм |
| высота | 80 мм |
| вес | 448 кг |
| серия | 1.243-2 |
ПТП 16.14 Плиты плоские по серии 1.243-2.
