ПКВ 30.18

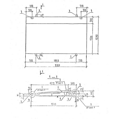
Чертеж изделия:
Характеристики изделия:
ПараметрЗначение
длина2990 мм
ширина1840 мм
высота140 мм
масса1600 кг
нормативный документСерия 1.137.1 КЛ-3

ПКВ 30.18  Козырьки входов для общественных зданий Серия 1.137.1 КЛ-3.