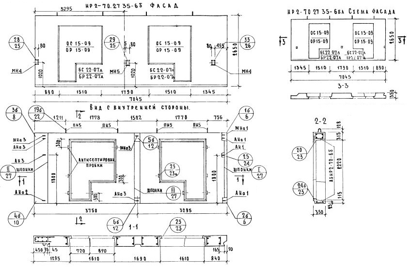
НР2-70.27.35-6бл

Чертеж изделия:
Характеристики изделия:
ПараметрЗначение
Длина7045 мм
Ширина350 мм
Высота2650 мм
Масса6400 кг
Нормативный документСерия 1.132-1

НР2-70.27.35-6бл   Наружная стеновая панель рядовая по Серии 1.132-1.