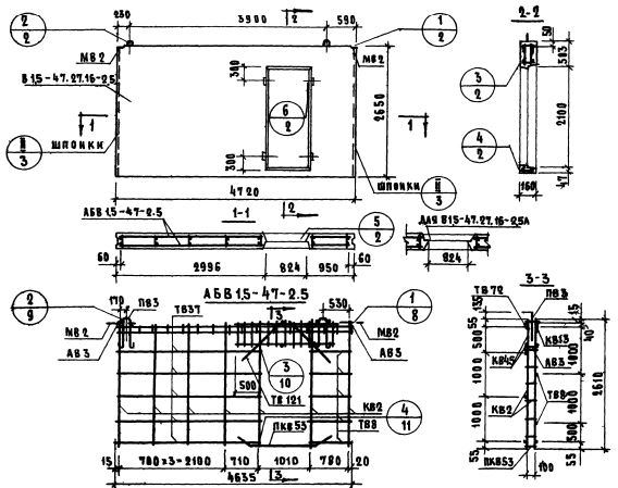
В1.5-47.27.16-2.5
Характеристики изделия:
| Параметр | Значение |
|---|---|
| длина | 4720 мм |
| ширина | 160 мм |
| высота | 2650 мм |
| масса | 4310 кг |
| нормативный документ | Серия 1.131-1 |
Цена:
Рассчитать стоимостьВ1.5-47.27.16-2.5 Внутренние стеновые панели (Серия 1.131-1).
| Параметр | Значение |
|---|---|
| длина | 4720 мм |
| ширина | 160 мм |
| высота | 2650 мм |
| масса | 4310 кг |
| нормативный документ | Серия 1.131-1 |
В1.5-47.27.16-2.5 Внутренние стеновые панели (Серия 1.131-1).
