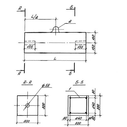
СМ 0.6.30

Чертеж изделия:
Характеристики изделия:
ПараметрЗначение
длина600 мм
ширина300 мм
высота300 мм
вес151 кг
серия1.110 КР-1

СМ 0.6.30 Сваи многосекционные по  серии 1.110 КР-1.