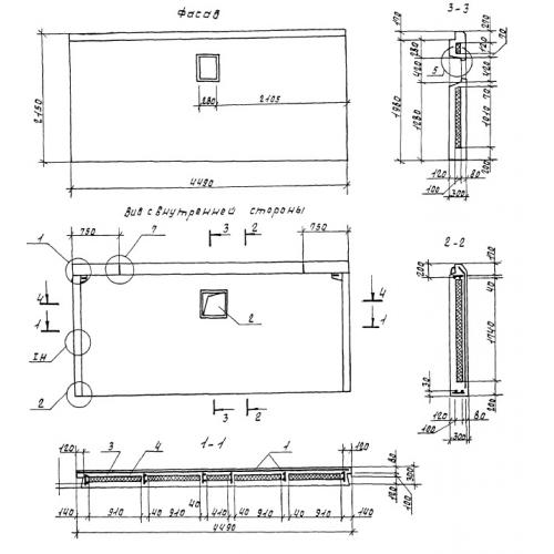
НЦ 45.22.30
Характеристики изделия:
| Параметр | Значение |
|---|---|
| длина | 4490 мм |
| ширина | 300 мм |
| высота | 2150 мм |
| вес | 5080 кг |
| серия | 1.100.1-7 |
Цена:
Рассчитать стоимостьНЦ 45.22.30 Наружная цокольная стеновая панель по серии 1.100.1-7.
| Параметр | Значение |
|---|---|
| длина | 4490 мм |
| ширина | 300 мм |
| высота | 2150 мм |
| вес | 5080 кг |
| серия | 1.100.1-7 |
НЦ 45.22.30 Наружная цокольная стеновая панель по серии 1.100.1-7.
