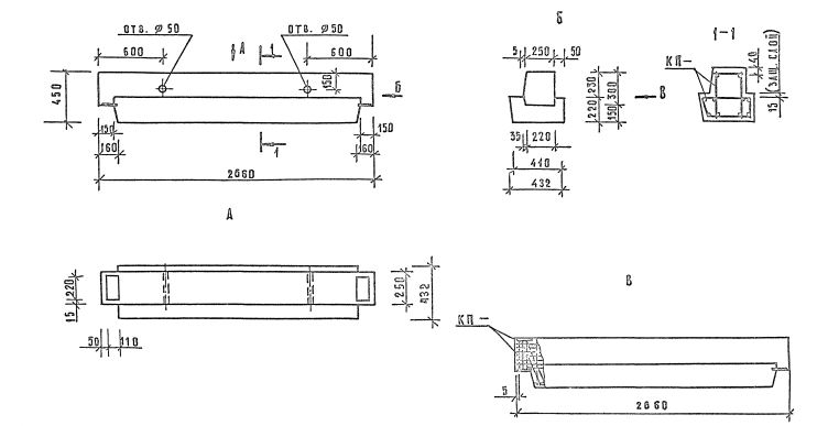
РОП 4.27 ригели
Характеристики изделия:
| Параметр | Значение |
|---|---|
| длина | 2660 мм |
| ширина | 432 мм |
| высота | 450 мм |
| масса | 950 кг |
| нормативный документ | Серия 1.020.1-7 |
Цена:
Рассчитать стоимостьРОП 4.27 Ригели (оснащённые двумя разными по ширине полками, для опоры перекрытия с одной стороны) Серия 1.020.1-7.
