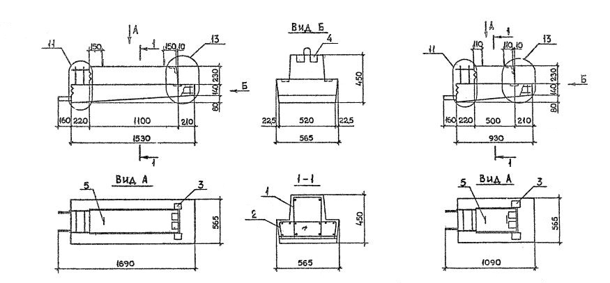
РК 4.10

Чертеж изделия:
Характеристики изделия:
ПараметрЗначение
длина1090 мм
ширина565 мм
высота450 мм
масса330  кг
нормативный докуменгтСерия 1.020.1-2с/89

РК 4.10  Ригели консольные Серия 1.020.1-2с/89.