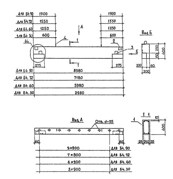
Б 4.60

Чертеж изделия:
Характеристики изделия:
ПараметрЗначение
длина5980 мм
ширина300 мм
высота400 мм
масса1800 кг
нормативный документСерия 1.020.1-2с/89

Б 4.60  Балки окаймляющие Серия 1.020.1-2с/89.