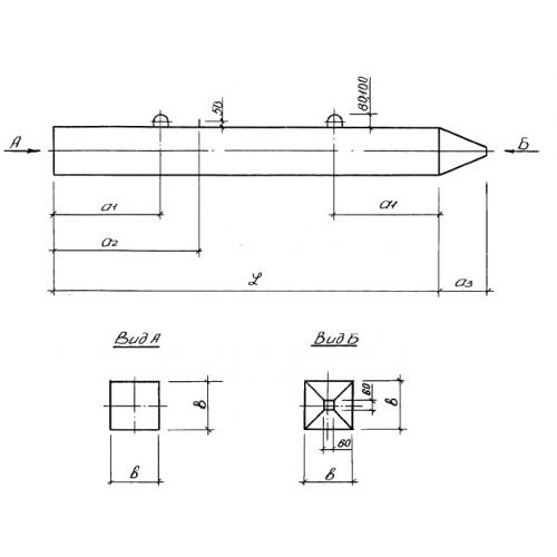
СНпр 3-30
Характеристики изделия:
| Параметр | Значение |
|---|---|
| длина | 3000 мм |
| ширина | 300 мм |
| высота | 300 мм |
| масса | 700 кг |
| нормативный документ | Серия 1.011-6 |
Цена:
Рассчитать стоимостьСНпр 3-30 Сваи цельные сплошного квадратного сечения с напрягаемой продольной арматурой из высокопрочной проволоки (Серия 1.011-6).
