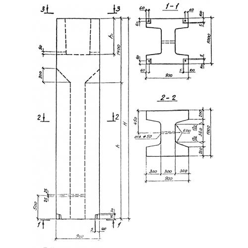
ВБ 9.10.30

Чертеж изделия:
Характеристики изделия:
ПараметрЗначение
длина900 мм
ширина1000 мм
высота2990 мм
вес5400 кг
серия0-221-84

ВБ 9.10.30 Блоки-стаканы верхние по серии 0-221-84.