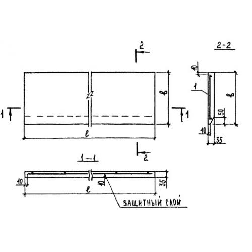
1ЛН 14.3 проступи накладные
Характеристики изделия:
| Параметр | Значение |
|---|---|
| длина | 1350 мм |
| ширина | 325 мм |
| высота | 35 мм |
| масса | 38 кг |
| нормативный документ | ГОСТ 9818-85 |
Цена:
Рассчитать стоимость1ЛН 14.3 Накладные проступи для укладки на нижние и рядовые ступени маршей ГОСТ 9818-85.
