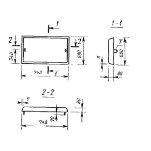
3П 7.7.8 плиты покрытия трамвайных путей

Чертеж изделия:
Характеристики изделия:
ПараметрЗначение
длина680 мм
ширина740 мм
высота80 мм
масса100 кг
нормативный документГОСТ 19231.0(1)-83

3П 7.7.8  Плиты покрытия трамвайных путей ГОСТ 19231.0(1)-83.